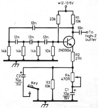
A CLICK FREE SIDETONE


Back to the first page