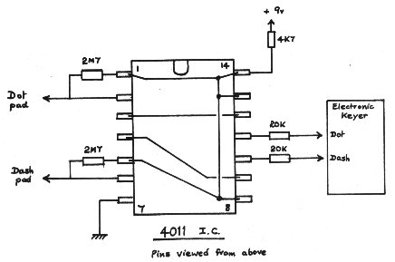
A SIMPLE TOUCH PADDLE

G3LSL